Sıkıştırma Uygulaması, Paslanmaz çelik konstrüksiyon, Düşük profil, IP65 koruma sınıfı

ÜRÜN ÖZELLİKLERİ
Malzeme: Paslanmaz Çelik
Kablo: Örgü izolasyonlu, 4 uçlu, Plastik korumalı kablo
Koruma Sınıfı: IP65
Nominal Çıkış: 1.0 ± 0.1/2.0 ± 0.2 (for 1~3tf)
Basma Tipli Model

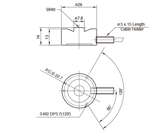
Ürün Teknik Çizim

Dökümanlar
| NMNC Loadcell Kataloğu |