Çelik malzemeden imâl edilmiş, disk(pancake) tipli yük hücresidir. Basma ve Çekme yönlü kullanılabilir. Hopper, Tank, Silo tartım uygulamaları için uygundur.

ÜRÜN ÖZELLİKLERİ
Malzeme: Nikel Kaplı Çelik
Kablo: Örgü izolasyonlu, 4 uçlu, Plastik korumalı kablo
Nominal Çıkış: 4.0 ± 0.01 mV/V
Koruma Sınıfı: IP66
Basma ve Çekme Test Cihazlarında kullanılabilir.

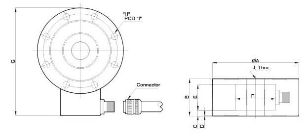
Ürün Teknik Çizim

Dökümanlar
| Ürün tanıtımı | Leaflet |