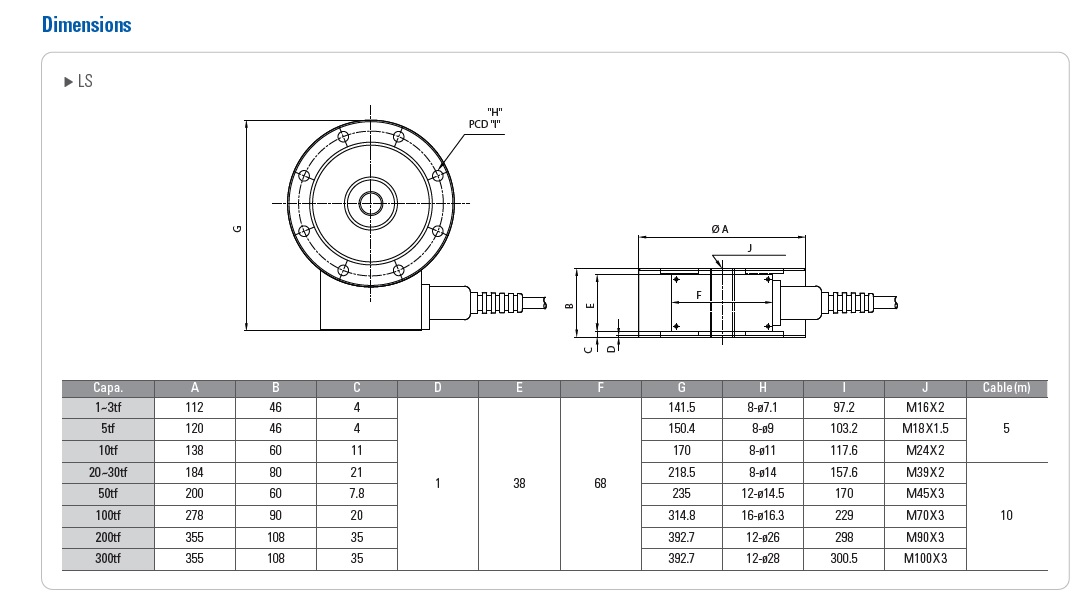
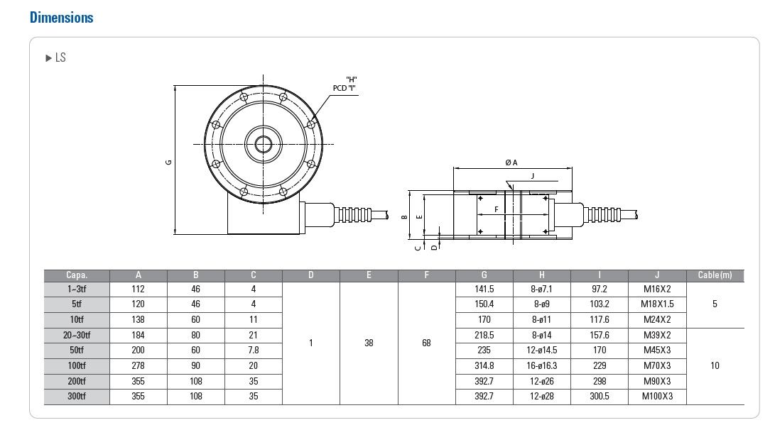
LS boyalı malzemeden üretilmiş, disk tipi bir yük hücresidir. Tank, Silo tartımları başta olmak üzere çeşitli tartım uygulamaları için uygundur.

ÜRÜN ÖZELLİKLERİ
Malzeme: Boyalı
Kablo: Örgü izolasyonlu, 4 uçlu, Plastik korumalı kablo
Koruma Sınıfı: IP67
Nominal Çıkış: 2.0 ± 0.005 mV/V
Basma ve Çekme Test Cihazlarında kullanılabilir.


Dokümanlar
| Ürün tanıtımı | Leaflet | * |