BCA-EXP; alüminyum malzemeli, tek nokta tipli yük hücresidir. Patlama tehlikesi olan ortamlarda, orta büyüklükteki Ex-proof teraziler için uygundur.

ÜRÜN ÖZELLİKLERİ
Malzeme: Eloksallı Alüminyum
Kablo: Ø5 x 4P x 1.5m (Urethane)
Koruma Sınıfı: IP65
Nominal Çıkış: 2.0 ± 0.2 mV/V
Opsiyon:
BCA-EXP (Ex ia IIC T4 Onayı)

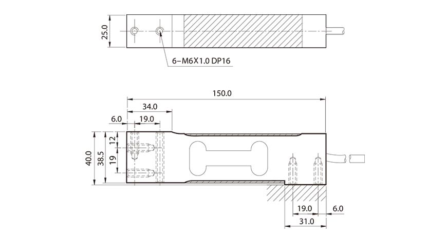
Ürün Teknik Çizim
